詳細介紹 / DETAILS



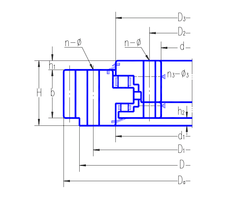
三排滾柱式回轉支承有三個座圈,上下及徑向滾道各自分開,使得每排滾柱的負載都能確切地加以確定。能夠同時承受各種載荷,是四種產品中承載能力較大的種,軸、徑向尺寸都較大,結構牢固,別適用于要求較大直徑的重型機械,如斗輪式挖掘機、輪式起重機、船用起重機、港口起重機、鋼水運轉臺及大噸位汽車起重機等機械上。
這是一種高承載能力的回轉支承,主要用于負荷較大的場合。兩個方向的軸向力和傾覆力矩由上下兩排水平滾子承受,徑向力主要有垂直布置的第三排徑向滾子承受,該類軸承有以下特點:
1.與交叉圓柱滾子相比,在同樣的支撐直徑下,滾動體數量增加了,因而減少了每個滾子的負荷,與雙排球類相比由點接觸改為線接觸,提高了承載能力。
2.滾圈的滾道為平面及圓柱面,加工方便。
3.在承受相同負荷的情況下,比其他類型的外形尺寸小,可減輕重量。從支撐受到外力矩作用后,本身的接觸剛性來看,此類型剛性好,角變形小。
三排組合軸向保持器采用分段的扇形保持器,相鄰兜孔的大端開口一個朝上一個朝下,裝配后無論支承的安裝方向如何,保持器均能處于中間位置。還有一種帶支點的窗孔分段保持器,上下兩端面均帶有支點。
相關產品
-
大型推力球軸承

-
單排交叉滾柱式轉盤軸承(無齒式)

-
單排交叉滾柱式轉盤軸承(外齒式)

-
單排交叉滾柱式轉盤軸承(內齒式)

-
三排滾柱式轉盤軸承

-
單排交叉滾柱式轉盤軸承(外齒式)

-
130.45.2500 三排滾柱式轉盤軸承(無齒式)

-
130.45.2500 三排滾柱式轉盤軸承(無齒式)

-
134.50.4500回轉支承

-
三排圓柱滾子轉盤軸承

-
三排131.50.3550.03G1轉盤軸承

-
131.50.3550回轉支承

-
大型推力球軸承

-
134.50.3550.03回轉支承

-
131.50.3150.03回轉支承

-
111.40.2800.03交叉圓柱滾子轉盤軸承

-
產品和業務

-
132.50.3550.03三排滾柱式轉盤軸承(外齒式)

-
球柱聯合式轉盤軸承(外齒式)

-
單排交叉滾柱式轉盤軸承(無齒式)

-
雙排球式轉盤軸承

-
單排球式回轉支承(外齒式)

-
單排球式回轉支承(內齒式)

-
單排球式回轉支承(無齒式)

-
HJN2270單排交叉滾子轉盤軸承

-
HSW840四點接觸球回轉支承(內套法蘭)

-
011.25.2043四點接觸球轉盤軸承(薄壁軸承)

-
1797/2600交叉滾子軸承

-
010.70.3150剖分式回轉支承

-
130.32.2240.03三排圓柱滾子組合轉盤軸承

-
011.30.1450.03K四點接觸球轉盤軸承

-
131.32.585.03K三排圓柱滾子組合轉盤軸承

-
4122-SLW單排角接觸球軸承薄壁軸承


豫公網安備 41032302000306號